
Esivahvistin on kaksikanavainen vahvistin venymäliuskatyyppisille voima- ja paineantureille. Se antaa analogisen lähtöjännitteen 0...5V.
| Tekniset tiedot |
| Käyttöjännite |
10..28VDC, virrankulutus max. 50 mA + anturi |
| Mittausalue |
Tulosignaali differentiaalinen -10mV..+10mV |
| Lähtöviesti |
Jännite 0,5 ... 4,5V |
Viritysohje (vaakasovellus)
Zero-trimmerillä säädetään nollakohta eli vaa'an tyhjäpaino ja SPAN-trimmerillä vahvistus.
Kun vaaka on tyhjä, viritetään ZERO-trimmerillä lähtöjännite 2,50V:iin.
Kun vaa'alla on tunnettu paino, viritetään SPAN-trimmerillä lähtöjännite halutuksi (>2,5V).
Myös nollakohta saattaa muuttua jonkin verran, kun SPAN-trimmeriä säädetään, joten voi olla tarpeen toistaa ZERO- ja SPAN-säädöt, kunnes merkittävää muutosta ei enää tapahdu.
Virityksen jälkeen voidaan ZERO-trimmerillä säätää tyhjäpainoa vastaava lähtöjännite alemmaksi kuin 2,5V esim. 0,5V.
Huom, SPAN-säätö on hankala tehdä, jos tyhjäpainoa vastaava jännite on eri kuin 2,50V.
Liitännät
Kuvassa 2-kanavaisen esivahvistimen (vaakavahvistin) liitännät. Jos tarvitaan käyttöön vain yksi kanava, kytketään vain anturi WE1, jolloin saadaan lähtöjännite OUT1. Tai, jos kytketään vain WE2, saadaan lähtöjännite OUT2.
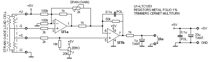
Kytkentäkaavio
Kortilla on vahvistimia 2 kpl, lisäksi 7805-tyyppinen jänniteregulaattori.
|